Schaltplan Jeep Cj7 1979 Jeep Cj5 Wiring Diagram In Color
1980 jeep cj7 starter/cellenoid: i am getting no power from the. 1978 jeep cj5 wiring diagram. Jeep cj cj7 shifters
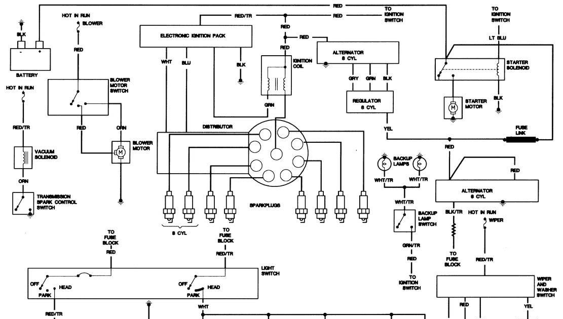
schaltplan jeep cj7
Download PDF
If you are {looking for|searching about} Jeep Cj7 Wiring Diagram Diagrams Cj | schematic and wiring diagram you've {came|visit} to the right {place|web|page}. We have 16 {Pics|Pictures|Images} about Jeep Cj7 Wiring Diagram Diagrams Cj | schematic and wiring diagram like Jeep Cj7 Turn Signal Wiring Diagram - easywiring, 3 WAY CARAVAN FRIDGE WIRING DIAGRAM ~ Best Diagram database Website and also 1980 Cj5 Wiring Diagram Furthermore Jeep Cj7 Tachometer Wiring. {Read more|Here you go|Here it is}:
1973 jeep cj5 wiring diagram database


1978 jeep cj5 wiring diagram. Crf50 cj7 marybeth delco schaltplan. 1978 jeep cj5 wiring diagram. 1979 jeep cj5 wiring diagram in color
1980 Cj5 Wiring Diagram Furthermore Jeep Cj7 Tachometer Wiring
1979 Jeep Cj5 Wiring Diagram In Color - diagram geometry
Jeep Cj Ignition Wiring Diagram in 2020 | Jeep cj7, Cj7, Jeep cj
Shifters are in... | Jeep cj, Jeep cj7, Jeep cj7 renegade
Jeep CJ7 Steering Column Removal - YouTube

Tidak ada komentar:
Posting Komentar